Vreemd gedrag spoelen bij Bally Elektra
Re: Vreemd gedrag spoelen bij Bally Elektra
en nog wat plastics zoeken 
- g94
- Berichten: 2806
- Lid geworden op: 09 aug 2011, 09:15
- Real name: Pascal Leroy
- Locatie: Belgium
- Contacteer:
Re: Vreemd gedrag spoelen bij Bally Elektra
Er bestaan geen repro-plastics bij mijn weten.
Er is een paar jaar geleden een interessepeiling geweest naar repro-plastics door planetary pinball (zij hebben blijkbaar alle originele bestanden) maar er is precies verder niks mee gebeurd.
Er is een paar jaar geleden een interessepeiling geweest naar repro-plastics door planetary pinball (zij hebben blijkbaar alle originele bestanden) maar er is precies verder niks mee gebeurd.
Restauraties: Eight Ball Deluxe - Defender - Barracora -Harlem Globetrotters - Time Fantasy - AFM - MB - MM - TAF whitewood - LOTR - The Sopranos
- David Pinball Wizz
- Berichten: 4424
- Lid geworden op: 15 aug 2011, 07:44
- Real name: David Deturck
- Locatie: Belgium
Re: Vreemd gedrag spoelen bij Bally Elektra
Ik vond electra wel een tof kastje. En mooi artwork!
IFPA Country Director Belgium
Re: Vreemd gedrag spoelen bij Bally Elektra
...om aan mij verkocht te wordeng94 schreef: 't enige dat ik nog eens moet nakijken is dat slecht contact af en toe bij de bonus scrorelampjes. En dan staat hij in principe klaar...
- g94
- Berichten: 2806
- Lid geworden op: 09 aug 2011, 09:15
- Real name: Pascal Leroy
- Locatie: Belgium
- Contacteer:
Re: Vreemd gedrag spoelen bij Bally Elektra
Ouch my hallucinating friend: seems like you have been exposed too long to Elektra's radiation.Pascal schreef:...om aan mij verkocht te worden
Restauraties: Eight Ball Deluxe - Defender - Barracora -Harlem Globetrotters - Time Fantasy - AFM - MB - MM - TAF whitewood - LOTR - The Sopranos
-
Pinballwizzie
- Berichten: 72
- Lid geworden op: 18 aug 2011, 09:01
- Real name: Taco Wouters
- Locatie: The Netherlands
Re: Vreemd gedrag spoelen bij Bally Elektra
Ik heb soort gelijk geval bij mijn Flash Gordon.
De drie flippers werken in attract play én ze doen het ook al als de MPU nog niet is opgestart.
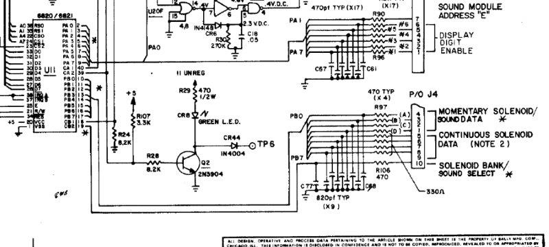
Aangezien mijn sterke kant niet ligt bij het lezen van schema's vraag ik jullie hier nog maar eens waar jullie verdenkingen naar uitgaan.
Wat ik zelf uit dit verhaal opmaak ligt het probleem op het solenoid bord. Ik zal er eens een gaan uitwisselen. Maar ter reparatie lijkt mij een kapotte diode op het solenoid board..of zit ik heel verkeerd te denken met mijn beperkte technische kennis? Alleen welke dan?
Is het hier uit te halen?
De drie flippers werken in attract play én ze doen het ook al als de MPU nog niet is opgestart.
Aangezien mijn sterke kant niet ligt bij het lezen van schema's vraag ik jullie hier nog maar eens waar jullie verdenkingen naar uitgaan.
Wat ik zelf uit dit verhaal opmaak ligt het probleem op het solenoid bord. Ik zal er eens een gaan uitwisselen. Maar ter reparatie lijkt mij een kapotte diode op het solenoid board..of zit ik heel verkeerd te denken met mijn beperkte technische kennis? Alleen welke dan?
Is het hier uit te halen?
- Richard Baan
- Berichten: 4071
- Lid geworden op: 16 aug 2011, 09:20
- Real name: Richard Baan
- Locatie: The Netherlands
- Contacteer:
Re: Vreemd gedrag spoelen bij Bally Elektra
Dat ligt aan de aansturing van het flipperrelais.
Die gaat vanaf U11 (is een continuous solenoid) en gaat met bedrading van de MPU J4 naar de solenoid driver J4.
De kans is groot dat daar ergens een slechte verbinding is.
Denk bijv. aan een draad in één van de connectoren, een soldeerpuntje onder zo'n connector, of de pin van U11 in zijn voetje (bijv. door zuurschade)
Die gaat vanaf U11 (is een continuous solenoid) en gaat met bedrading van de MPU J4 naar de solenoid driver J4.
De kans is groot dat daar ergens een slechte verbinding is.
Denk bijv. aan een draad in één van de connectoren, een soldeerpuntje onder zo'n connector, of de pin van U11 in zijn voetje (bijv. door zuurschade)
Don't take life so seriously... It's not permanent.
http://pinball.beautyvof.com/
Alles over de technische kant van de flipperkast willen weten?
Download De techniek staat voor niets
http://pinball.beautyvof.com/
Alles over de technische kant van de flipperkast willen weten?
Download De techniek staat voor niets
-
Pinballwizzie
- Berichten: 72
- Lid geworden op: 18 aug 2011, 09:01
- Real name: Taco Wouters
- Locatie: The Netherlands
Re: Vreemd gedrag spoelen bij Bally Elektra
Ik heb zo wel het solenoid board als het mpu uitgeruild en de problemen blijven bestaan. De bedrading en stekkers blijven dan over?
- Richard Baan
- Berichten: 4071
- Lid geworden op: 16 aug 2011, 09:20
- Real name: Richard Baan
- Locatie: The Netherlands
- Contacteer:
Re: Vreemd gedrag spoelen bij Bally Elektra
Als het signaal laag (0V) wordt zal het flipper-relais aantrekken. Dus zonder die connector aangesloten zou hij niets moeten doen. Toch kan het daardoor dus ook niet aan een slechte verbinding kunnen liggen.
Dan zou hij het juist niet moeten doen. Ik zou eerder verwachten dat je op de solenoid driver dan iets kapot hebt, bijv. U4 of de transistor Q15. Aangezien je beide printen hebt uitgewisseld kan het dus niet aan een print liggen.
Controleer eens hoe de bedrading is aangesloten op de solenoid driver (linksboven op het schema).
Misschien zijn de draden van de flippers overbrugd ofzo, dat ze niet via het flipper relais gaan.
Kun je eens testen wat de flippers doen als de connector J4 van de solenoid driver er af is?
En hoor je het relais klikken? (tijdens de opstart, of nadat je een spel afdrukt)
Dan zou hij het juist niet moeten doen. Ik zou eerder verwachten dat je op de solenoid driver dan iets kapot hebt, bijv. U4 of de transistor Q15. Aangezien je beide printen hebt uitgewisseld kan het dus niet aan een print liggen.
Controleer eens hoe de bedrading is aangesloten op de solenoid driver (linksboven op het schema).
Misschien zijn de draden van de flippers overbrugd ofzo, dat ze niet via het flipper relais gaan.
Kun je eens testen wat de flippers doen als de connector J4 van de solenoid driver er af is?
En hoor je het relais klikken? (tijdens de opstart, of nadat je een spel afdrukt)
Don't take life so seriously... It's not permanent.
http://pinball.beautyvof.com/
Alles over de technische kant van de flipperkast willen weten?
Download De techniek staat voor niets
http://pinball.beautyvof.com/
Alles over de technische kant van de flipperkast willen weten?
Download De techniek staat voor niets
-
Pinballwizzie
- Berichten: 72
- Lid geworden op: 18 aug 2011, 09:01
- Real name: Taco Wouters
- Locatie: The Netherlands
Re: Vreemd gedrag spoelen bij Bally Elektra
Ook met j4 eraf doen de flippers het maar hoor abn geen ralis klikken.
Wel als j4 er op zit, hoor ik hem met tussenpozen twee keer klikken tijdens het opstarten.
Wel als j4 er op zit, hoor ik hem met tussenpozen twee keer klikken tijdens het opstarten.
- Richard Baan
- Berichten: 4071
- Lid geworden op: 16 aug 2011, 09:20
- Real name: Richard Baan
- Locatie: The Netherlands
- Contacteer:
Re: Vreemd gedrag spoelen bij Bally Elektra
Dan is de MPU goed, en de aansturing naar de solenoid driver ook.
Dan blijft over de bedrading naar de flippers. Hoe zit de bedrading op J2-1/2 en J1-8/9 van de solenoid driver?
Dan blijft over de bedrading naar de flippers. Hoe zit de bedrading op J2-1/2 en J1-8/9 van de solenoid driver?
Don't take life so seriously... It's not permanent.
http://pinball.beautyvof.com/
Alles over de technische kant van de flipperkast willen weten?
Download De techniek staat voor niets
http://pinball.beautyvof.com/
Alles over de technische kant van de flipperkast willen weten?
Download De techniek staat voor niets
-
Pinballwizzie
- Berichten: 72
- Lid geworden op: 18 aug 2011, 09:01
- Real name: Taco Wouters
- Locatie: The Netherlands
Re: Vreemd gedrag spoelen bij Bally Elektra
Yes, opgelost. Er was een hack, draden van de flippers waren overbrugd. Bedankt Richard.
. Er is een Flash Gordon van de sloop gered. Bijna 100%, op een lamphouder na die ik nog moet vervangen. Maar ik ben dik tevreden.
Deze kan weer jaren mee.
Deze kan weer jaren mee.
- Richard Baan
- Berichten: 4071
- Lid geworden op: 16 aug 2011, 09:20
- Real name: Richard Baan
- Locatie: The Netherlands
- Contacteer:
Re: Vreemd gedrag spoelen bij Bally Elektra
Don't take life so seriously... It's not permanent.
http://pinball.beautyvof.com/
Alles over de technische kant van de flipperkast willen weten?
Download De techniek staat voor niets
http://pinball.beautyvof.com/
Alles over de technische kant van de flipperkast willen weten?
Download De techniek staat voor niets
-
Pinballwizzie
- Berichten: 72
- Lid geworden op: 18 aug 2011, 09:01
- Real name: Taco Wouters
- Locatie: The Netherlands
Re: Vreemd gedrag spoelen bij Bally Elektra
Ik verwacht dat er vandaag weer een ritje Limburg op de planning staat?g94 schreef:Pascal schreef:...om aan mij verkocht te worden