Tieback diode STTNG (diverter onder speelveld)

Vragen en antwoorden over de technische kant van flippers
Plaats reactie
Gebruikersavatar
Richard Baan
Berichten: 4057
Lid geworden op: 16 aug 2011, 09:20
Real name: Richard Baan
Locatie: The Netherlands
Contacteer:

Tieback diode STTNG (diverter onder speelveld)

Bericht door Richard Baan » 19 jul 2014, 16:38

Bekend probleem: de diverter-spoel onder het speelveld bij STTNG wil wel eens verbranden.

Ik denk dan altijd als eerste aan de tieback diode, de draad die de 50V terugbrengt naar het 8-driver PCB bordje. Immers de diode vangt spanningspieken op waar de transistor kapot van kan gaan.

Nu heb ik dit dus voor de 2e keer meegemaakt. De vorige keer had ik diodes op de spoel gesoldeerd, voor het geval de tieback-draad los zou komen te zitten. Nu is mijn spoel verbrand, en de tieback draad zit gewoon goed vast, en ook de diode op de spoel maakt prima contact.

Heeft iemand een idee hoe dit kan?
Is de tieback-draad misschien niet de oorzaak van deze problemen? Of is dit toeval geweest?
Don't take life so seriously... It's not permanent.

http://pinball.beautyvof.com/

Alles over de technische kant van de flipperkast willen weten?
Download De techniek staat voor niets

Gebruikersavatar
Stan
Berichten: 304
Lid geworden op: 07 okt 2011, 14:23
Real name: Stan Wydooghe
Locatie: Belgium

Re: Tieback diode STTNG (diverter onder speelveld)

Bericht door Stan » 23 jul 2014, 11:44

Zoals ik het mij herinner zijn er 2 diverter coils die door de Auxiliary driver bediend worden en alletwee de tieback nodig hebben. Aangezien de power kant doorverbonden is (daisy-chained) is dit OK.
Noot: Er zijn 4 spoelen (2 diverters en de 2 drop target speoen) die J107-1 als power source hebben, dus je tieback mag aan 1 van die 4 toekomen.

Ook kan je gewoon een gefaalde (kortgesloten) transistor hebben.

De tieback draad (dunne paars/groene draad) moet ook goed aankomen op het Auxiliary driver board. Dus het kan ook aan de connector liggen. Bij mijn STTNG heb ik de IDC connector vervangen door een gecrimpt model voor de zekerheid.

Veel succes.

Groeten,

Stan
SOP, FF LE, RUSH, Criterium 75 EM, GP, PF BMF (on order)

Gebruikersavatar
Richard Baan
Berichten: 4057
Lid geworden op: 16 aug 2011, 09:20
Real name: Richard Baan
Locatie: The Netherlands
Contacteer:

Re: Tieback diode STTNG (diverter onder speelveld)

Bericht door Richard Baan » 23 jul 2014, 14:05

Bedankt voor je reactie.

Klopt, het zijn 4 spoelen die daardoor worden aangestuurd.
De de tieback draad komt van de droptarget af. Echter omdat ik dit probleem al eerder heb gehad heb ik op elk van de spoelen een diode gesoldeerd, zodat deze altijd goed contact maakt. Idee daarbij is dat de tieback draad los kan schieten en dat er niets verbrandt.

Nu is het probleem toch nog weer voorgekomen. Op het NFV forum werd oa. advies gegeven over de aarde van het 8-driver bordje. Dat klinkt inderdaad plausibel en ga ik zeker nog even controleren. Ben er nog niet aan toe gekomen.

Ook jouw idee over een gecrimped verbinding klinkt als een goede 'mod'.

Gebruikersavatar
Stan
Berichten: 304
Lid geworden op: 07 okt 2011, 14:23
Real name: Stan Wydooghe
Locatie: Belgium

Re: Tieback diode STTNG (diverter onder speelveld)

Bericht door Stan » 24 jul 2014, 09:42

Richard,

Kan je de aarde aanpassing aan het AUx. Driver bord hier eens uitleggen aub? Altijd interessant.

Alle beveiligingen (de 4 diodes + betere tieback-verbinding) helpen NIET tegen een locked-on coil ten gevolge van een geshorte transistor op de Aux.Driver. (TIP 102 of zijn predriver 2N4403)

En waarom die geshort zijn kan uiteraard aan vele dingen liggen. Mogelijks een overbelasting uit het verleden of de spoelen die niet genoeg weerstand meer hebben of gewoon ouderdom ... Zelfs silicium heeft helaas niet het eeuwige leven... Amen.

Groeten,

Stan
SOP, FF LE, RUSH, Criterium 75 EM, GP, PF BMF (on order)

Gebruikersavatar
Richard Baan
Berichten: 4057
Lid geworden op: 16 aug 2011, 09:20
Real name: Richard Baan
Locatie: The Netherlands
Contacteer:

Re: Tieback diode STTNG (diverter onder speelveld)

Bericht door Richard Baan » 24 jul 2014, 11:32

Dat klopt, maar deze zit er 3 jaar in ofzo, de spoel ook. Kan ook zeker een toevalstreffer zijn, alleen dan dus wel juist deze. Waarom gaat een transistor stuk, na 3 jaar.... Tja, kan van alles wezen. Alleen juist deze geeft meerdere malen problemen, en ook bij vele eigenaren, een bekend probleem.

Vwb de aarde was het advies om het bordje goed te aarden. Iemand had dit probleem ook ooit gehad, bij een kast waarbij het cabinet en de kop niet waren doorgelust met aarde. In zijn geval ging de spoel elke 2 weken ofzo naar zijn grootje. Ik heb die aarde wel, maar ik weet niet hoe degelijk die verbinding is. Ik ga dat zeker eens controleren want de kast is meerdere malen uit elkaar geweest. Misschien een extra aarde toevoegen.
Don't take life so seriously... It's not permanent.

http://pinball.beautyvof.com/

Alles over de technische kant van de flipperkast willen weten?
Download De techniek staat voor niets

Gebruikersavatar
Richard Baan
Berichten: 4057
Lid geworden op: 16 aug 2011, 09:20
Real name: Richard Baan
Locatie: The Netherlands
Contacteer:

Re: Tieback diode STTNG (diverter onder speelveld)

Bericht door Richard Baan » 26 jul 2014, 11:33

Kleine update:
Die aarde ziet er raar uit, lijkt er op dat de power ground met dikke draden vanaf de connector linksonder een heel eind terug gaat naar een 2-polige overgangsconnector, dan met 2 hele dunne draadjes weer helemaal terug gaat naar J103. Niet de meest logische verbindingen. Opmerkelijk dat als dit soort verbindingen voor deze storing kunnen zorgen dat het nog maar 2 keer is voorgekomen in de 18 jaar dat ik hem heb.

Die J103 ziet er bij mij wat raar verdraaid uit. De draden komen links uit de connector, gaan dan met een scherpe bocht er over heen naar rechts naar die 2-polige connector. En alle connectoren (behalve de 2-polige) zijn niet gecrimped, maar er in gedrukt.

Tevens is de aarde naar de kop wel aangesloten, maar die moer zit handvast, niet goed aangedraaid. En het 8-driverbordje zit met 2 bouten vastgeschroefd.

Ik zal die draden eens anders maken, want de J103 zit er toch vlak bij. Tevens de solderingen even doorvloeien. Geen idee hoe dat er uit ziet na zoveel jaar.

Nou ja, nu maar hopen dat dat de oorzaak is. Eerst maar wat onderdelen bestellen.
Don't take life so seriously... It's not permanent.

http://pinball.beautyvof.com/

Alles over de technische kant van de flipperkast willen weten?
Download De techniek staat voor niets

Gebruikersavatar
Richard Baan
Berichten: 4057
Lid geworden op: 16 aug 2011, 09:20
Real name: Richard Baan
Locatie: The Netherlands
Contacteer:

Re: Tieback diode STTNG (diverter onder speelveld)

Bericht door Richard Baan » 17 aug 2014, 18:39

Ik heb inmiddels de spoel vervangen, diode op de spoel gesoldeerd. Transistor + driver vervangen. Zekering F103. Het leek dat die los in de zekeringhouder zat, daar ben ik niet echt zeker van. Nu zit die iig goed vast.

Het 8 driverbordje heb ik voorzien van crimp-connectoren (power connector, spoelen en flasher connector). Tevens J103 van de power driver bord voorzien van crimp. Een tweetal extra draden getrokken van de flasherconnector (PG) en de spoelenconnector (PG) en die naar J103 getrokken. Dus de normale power ground (PG) gaat via alleleri rare connecoren van de power connector naar J103, nu ook vanaf de spoelen connector en de flasherconnector.

Solderingen door laten vloeien, en de aardedraad naar de kop extra vast gezet.

Nu maar hopen dat het probleem zich niet meer voordoet. (waar is mijn fingers-crossed-smiley?)
Don't take life so seriously... It's not permanent.

http://pinball.beautyvof.com/

Alles over de technische kant van de flipperkast willen weten?
Download De techniek staat voor niets

Gebruikersavatar
Richard Baan
Berichten: 4057
Lid geworden op: 16 aug 2011, 09:20
Real name: Richard Baan
Locatie: The Netherlands
Contacteer:

Re: Tieback diode STTNG (diverter onder speelveld)

Bericht door Richard Baan » 12 aug 2015, 21:49

En inmiddels is hij weer defect. 

De kast stond een kwartier in attract mode, we hoorden een tik. Niet wetende van welke kast heb ik ze allemaal uit gezet. Bij checken bleek dat de top diverter weer verbrand was.

Dit is dus 'zomaar' gebeurd. Dwz dat de kast de spoel op dat moment niet heeft aangestuurd. Dat heb ik wel eens eerder meegemaakt met een special solenoid. Dat lag toen aan het aansturende IC. Was ook 'zomaar'.

Het lijkt erop dat de droptarget down en up deze problemen nooit hebben. Deze komen van dezelfde driver.

Ik heb dus nu:
- een goede tieback draad
- extra bedrading en goede verbinding ground
- diodes op de spoelen zelf

Heeft iemand een idee wat het zou kunnen zijn?
Laatst gewijzigd door Richard Baan op 22 aug 2015, 14:28, 1 keer totaal gewijzigd.
Don't take life so seriously... It's not permanent.

http://pinball.beautyvof.com/

Alles over de technische kant van de flipperkast willen weten?
Download De techniek staat voor niets

Gebruikersavatar
Richard Baan
Berichten: 4057
Lid geworden op: 16 aug 2011, 09:20
Real name: Richard Baan
Locatie: The Netherlands
Contacteer:

Re: Tieback diode STTNG (diverter onder speelveld)

Bericht door Richard Baan » 22 aug 2015, 14:19

Op het NFV forum had iemand het goede idee dat de opto's mogelijk problemen geven. Dat klopt inderdaad: bij mij is zowel de trough als het 16-opto bordje problematisch. Ik heb de kast in de switchtest gezet en na een poosje kwam de kolom met de balltrough. Connector problemen.

-----------------------------------------------------------------

Heel toevallig had ik laatst nog het zelfde probleem bij indy.
Daar gingen de flashers aan de linker zijkant flitsen. En soms gingen ze niet meer uit. Bleef soms wel flikkeren dus soms wel en soms niet. Gauw de kast uit gezet en het bleek dat die van het 8-driver bordje worden aangestuurd.

Ik vermoedde dat het een connector van de flat cable is. Dat hij bijv een aan-commando wel krijgt en dan een uit-commando niet ziet. Die heb ik nu gereseat en hij werkt weer.
Mogelijk is dat zelfde ook bij sttng aan de hand. Ik vroeg me wel af waarom de problemen met de 8-driver bord wel voorkomen en bij de normale powerdriver niet. Althans niet op deze manier.

-----------------------------------------------------------------

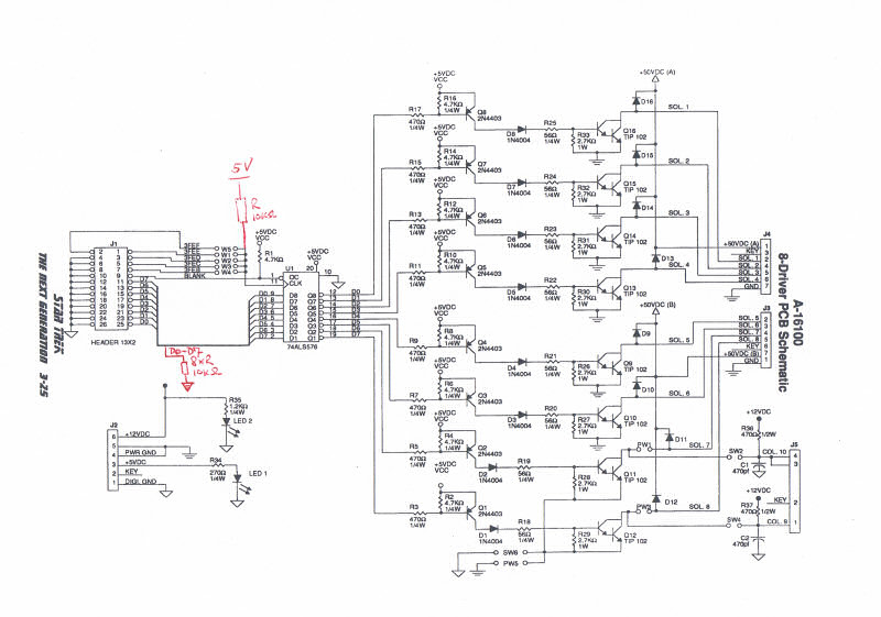
Ik heb er de afgelopen tijd eens over nagedacht en vergeleken met andere borden. Ik heb het eigenlijk niet eerder meegemaakt. Het viel me al op dat bij de 8-driver de CLK en de D0-D7 niet met weerstanden aan de 5V of GND hangen, de zgn pullup en pulldown weerstanden. Andere borden hebben dat wel, op de CPU of op het driverbord. Hoe het ook zij: die weerstanden zitten er niet.

Ik heb eens wat getest met een flasher in serie met de flashers die aangestuurd werden bij IJ. Het blijkt zo te zijn dat als de flatcable er half op zit, en er bijna af valt kun je de flashers aan laten gaan. Die blijven dan continu branden. Dit is onafhankelijk van de aansturing vanuit de kast, ik heb het in de attractmode gedaan en in de test van die flasher.

In eerste instantie dacht ik aan de CLK. Immers als de CLK laag is zal het IC de uitgangen activeren die ingeclockt waren, dat staat zo in de datasheet. Ik heb beide getest maar als de CLK aan de 5V hangt of niet maakt vrij weinig uit. De flashers krijg je toch weer aan terwijl dat niet moet. Eigenlijk ook logisch: het is 1 aansturing die het fout deed, en de CLK dient voor alle 8.

Zowel bij IJ als STTNG pulseert de CLK continu. Dat is iig. voor de 9e switchmatrix-kolom. Toch zal die CLK er wel mee te maken hebben, want het IC reageert er wel op, en als er een input wijzigt zal die met de volgende CLK wel doorgezet worden naar de uitgang.

Geen idee hoe dat bij andere kasten zit. Volgens mij hebben iig Roadshow en TZ ook zo'n driverbordje. Daar zitten echter geen 9e switchkolom op, dus misschien dat daar de CLK alleen pulseert als de flasher aan moet gaan, dus tijdens het spel.

Ik heb er eens een mod voor bedacht: de 8-driver mod
Wat ik nu heb gedaan is de CLK met een 10k pullup weerstand aan de 5V verbonden, en de D0-D7 via een pulldown weerstandsnetwerkje aan de GND verbonden. Eea. getest en ik krijg nu niet meer de flashers aan door de flatcable er half af te trekken.

Ik zal binnenkort de STTNG repareren en houd jullie op de hoogte als hij weer kapot gaat.
Bijlagen
8-driver-mod-klein.jpg
Don't take life so seriously... It's not permanent.

http://pinball.beautyvof.com/

Alles over de technische kant van de flipperkast willen weten?
Download De techniek staat voor niets

Gebruikersavatar
Richard Baan
Berichten: 4057
Lid geworden op: 16 aug 2011, 09:20
Real name: Richard Baan
Locatie: The Netherlands
Contacteer:

Re: Tieback diode STTNG (diverter onder speelveld)

Bericht door Richard Baan » 22 nov 2022, 20:48

Nu meer dan 7 jaar later zijn er nog steeds geen problemen geweest.
Dit even ter info.
Don't take life so seriously... It's not permanent.

http://pinball.beautyvof.com/

Alles over de technische kant van de flipperkast willen weten?
Download De techniek staat voor niets

Gebruikersavatar
inkochnito
Berichten: 851
Lid geworden op: 16 aug 2011, 20:39
Real name: Peter Koch
Locatie: The Netherlands

Re: Tieback diode STTNG (diverter onder speelveld)

Bericht door inkochnito » 23 nov 2022, 19:33

De informatie over de upgrade van het 8-driver bordje staat inmiddels al geruime tijd op de www.pinwiki.com
https://www.pinwiki.com/wiki/index.php/ ... A-16100.29

En ook over de tie-back diode.
https://www.pinwiki.com/wiki/index.php/ ... or_to_fail

Even ter informatie.... ;-)

Plaats reactie