DMD-voeding WPC 95 probleem
DMD-voeding WPC 95 probleem
Heb een JY waarvan ik merk dat het beeld van de DMD niet meer scherp is.
Wat heb ik al getest :
- Nagekeken of de DMD nog OK is. In andere kast gestoken en daar is hij wel 100%
- Flatkabel vervangen. Geen verbetering. Flatkabel is dus niet de oorzaak.
- Spanning op de DMD nagemeten. Daar merk ik dat de 2 High-currents een 10 tal volt lager liggen dan normaal. De 5V is ok.
Voorlopige conclusie : probleem met de High-voltage voeding.
Vraag : hoe los ik dat op. Dit is geen condensatorprobleem veronderstel ik?
Iemand ervaring en tips?
Wat heb ik al getest :
- Nagekeken of de DMD nog OK is. In andere kast gestoken en daar is hij wel 100%
- Flatkabel vervangen. Geen verbetering. Flatkabel is dus niet de oorzaak.
- Spanning op de DMD nagemeten. Daar merk ik dat de 2 High-currents een 10 tal volt lager liggen dan normaal. De 5V is ok.
Voorlopige conclusie : probleem met de High-voltage voeding.
Vraag : hoe los ik dat op. Dit is geen condensatorprobleem veronderstel ik?
Iemand ervaring en tips?
- inkochnito
- Berichten: 862
- Lid geworden op: 16 aug 2011, 20:39
- Real name: Peter Koch
- Locatie: The Netherlands
Re: DMD-voeding WPC 95 probleem
Wat zijn de spanningen die je hebt gemeten?
Controleer in ieder geval de diodes D6 t/m D13.
Controleer in ieder geval de diodes D6 t/m D13.
Re: DMD-voeding WPC 95 probleem
Hallo Peter,
volgende waarden heb ik gemeten :
Pin 8 : +49.3 ipv +62
Pin 7 : +11.7 ipv +12 (lijkt mij OK)
Pin 2 : -94.3 ipv -113
Pin 1 : -117 ipv -125
volgende waarden heb ik gemeten :
Pin 8 : +49.3 ipv +62
Pin 7 : +11.7 ipv +12 (lijkt mij OK)
Pin 2 : -94.3 ipv -113
Pin 1 : -117 ipv -125
- cajoeter
- Berichten: 207
- Lid geworden op: 17 aug 2011, 12:33
- Real name: Michel
- Locatie: The Netherlands
Re: DMD-voeding WPC 95 probleem
De spanning op pin 8 is te laag. De spanning op pin 1 is goed maar het verschil met pin 2 is te groot. Ik zou het hoogspanning deel reviseren, tientje aan onderdelen.
- inkochnito
- Berichten: 862
- Lid geworden op: 16 aug 2011, 20:39
- Real name: Peter Koch
- Locatie: The Netherlands
Re: DMD-voeding WPC 95 probleem
Op welke spanning is de transformator aangesloten?
..
..
En welke wisselspanningen gaan er in het bord?
J605 en dan meten tussen de draden met dezelfde kleuren.
(wit>wit 80VAC) en (violet>violet 100VAC)
De andere draden zijn alleen voor het geluid, maar het is ook interessant om die spanningen ook te zien.
(grijs>grijs-wit 18VAC), (grijs-wit>grijs-groen 18VAC), (grijs>grijs-groen 36VAC)
...
...
..
..
En welke wisselspanningen gaan er in het bord?
J605 en dan meten tussen de draden met dezelfde kleuren.
(wit>wit 80VAC) en (violet>violet 100VAC)
De andere draden zijn alleen voor het geluid, maar het is ook interessant om die spanningen ook te zien.
(grijs>grijs-wit 18VAC), (grijs-wit>grijs-groen 18VAC), (grijs>grijs-groen 36VAC)
...
...
Re: DMD-voeding WPC 95 probleem
Heb ook de spanning die binnenkomt op J605 eens nagemeten :
White-white : 85,2VAC ipv 80 VAC
Violet-Violet : 105,4VAC ipv 100 VAC
Gray-GrayWhite : 12,9 VAC ipv 18 VAC
GrayWhite-GrayGreen : 13 VAC ipv 18 VAC
Gray-GrayGreen : 26,4 VAC ipv 36 VAC
Deze spanningen heb ik gemeten op de fiche die ik losgekoppeld heb van J605 (onbelast)
Ziet iemand een oorzakelijk verband met de verkeerde DC-spanningen op de DMD?
White-white : 85,2VAC ipv 80 VAC
Violet-Violet : 105,4VAC ipv 100 VAC
Gray-GrayWhite : 12,9 VAC ipv 18 VAC
GrayWhite-GrayGreen : 13 VAC ipv 18 VAC
Gray-GrayGreen : 26,4 VAC ipv 36 VAC
Deze spanningen heb ik gemeten op de fiche die ik losgekoppeld heb van J605 (onbelast)
Ziet iemand een oorzakelijk verband met de verkeerde DC-spanningen op de DMD?
- inkochnito
- Berichten: 862
- Lid geworden op: 16 aug 2011, 20:39
- Real name: Peter Koch
- Locatie: The Netherlands
Re: DMD-voeding WPC 95 probleem
De AC input spanningen zijn correct.
De kast zit dus op de juiste spanning aangesloten.
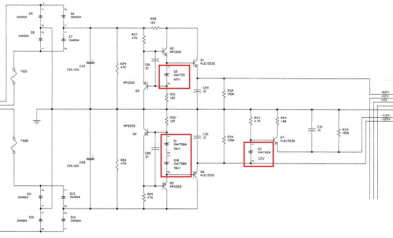
Nu is het van belang om de zener diode's te controleren.
D1 > 1N4758A (56V)
D18 > 1N4758A (56V)
D2 > 1N4759 (62V)
D3 > 1N4742A (12V)
De spanning die achter de zener diode staat is de spanning die je zou moeten meten over de diode.
.
.
De kast zit dus op de juiste spanning aangesloten.
Nu is het van belang om de zener diode's te controleren.
D1 > 1N4758A (56V)
D18 > 1N4758A (56V)
D2 > 1N4759 (62V)
D3 > 1N4742A (12V)
De spanning die achter de zener diode staat is de spanning die je zou moeten meten over de diode.
.
.
Re: DMD-voeding WPC 95 probleem
Gemeten spannningen :
D1 : -57,4V
D2 : 49,8V
D3 : niet teruggevonden op het board
D18 : -57,4V
Conclusies? Spanning op D2 is niet correct?
D1 : -57,4V
D2 : 49,8V
D3 : niet teruggevonden op het board
D18 : -57,4V
Conclusies? Spanning op D2 is niet correct?
- inkochnito
- Berichten: 862
- Lid geworden op: 16 aug 2011, 20:39
- Real name: Peter Koch
- Locatie: The Netherlands
Re: DMD-voeding WPC 95 probleem
Daar lijkt het wel op.
Ik zou D2 vervangen.
Kijk eerst of je het type nummer op de diode kan lezen.
Ik ben benieuwd wat er nu in zit.
D3 is wel belangrijk voor het 12V verschil tussen pin 1 en pin 2 van J604.
Het lijkt nu dat de D3 diode ook afwijkt (23V verschil).
D3 moet vlakbij Q7 zitten.
Ik zou D2 vervangen.
Kijk eerst of je het type nummer op de diode kan lezen.
Ik ben benieuwd wat er nu in zit.
D3 is wel belangrijk voor het 12V verschil tussen pin 1 en pin 2 van J604.
Het lijkt nu dat de D3 diode ook afwijkt (23V verschil).
D3 moet vlakbij Q7 zitten.
Re: DMD-voeding WPC 95 probleem
Bedankt Peter!
De Zener-diode (ga af op de kleur) die vlak bij Q7 zit heeft een spanning van -103,2. weet echter niet of die D3 is maar is de enige als ik afga op de kleur die dicht bij Q7 ligt.
Volgens wat ik uit je vorige post afleidt zou D2 een 1N4759 en D3 een 1N4742A moeten zijn. Klopt dat?
De Zener-diode (ga af op de kleur) die vlak bij Q7 zit heeft een spanning van -103,2. weet echter niet of die D3 is maar is de enige als ik afga op de kleur die dicht bij Q7 ligt.
Volgens wat ik uit je vorige post afleidt zou D2 een 1N4759 en D3 een 1N4742A moeten zijn. Klopt dat?
- inkochnito
- Berichten: 862
- Lid geworden op: 16 aug 2011, 20:39
- Real name: Peter Koch
- Locatie: The Netherlands
Re: DMD-voeding WPC 95 probleem
Ik denk dat je niet helemaal correct hebt gemeten bij D3.
Je moet echt over de diode heen meten en niet ten opzichte van ground.
Dan zou je iets van 12V moeten meten.
Kan je een foto plaatsen van het bord en dan met name rond Q7 en zo?
D2 > 1N4759 (62V)
D3 > 1N4742A (12V)
Deze gegevens zijn uit het schema overgenomen.
http://firepowerpinball.com/2ya/tz/wpc95-dmd-hv-afm.pdf
Je moet echt over de diode heen meten en niet ten opzichte van ground.
Dan zou je iets van 12V moeten meten.
Kan je een foto plaatsen van het bord en dan met name rond Q7 en zo?
D2 > 1N4759 (62V)
D3 > 1N4742A (12V)
Deze gegevens zijn uit het schema overgenomen.
http://firepowerpinball.com/2ya/tz/wpc95-dmd-hv-afm.pdf
Re: DMD-voeding WPC 95 probleem
Bedankt om mee te denken Peter en Michel.
Het probleem is ondertussen opgelost.
Wat is er gebeurd :
D2 en D3 werd vervangen.
R43 zag er ook niet goed uit en zat niet meer goed vast gesoldeerd.
De 2 condensatoren werden ook vervangen. (1 van de 2 was stuk).
Nu is het DMD-scherm weer helder en scherp.
Fantastisch dat je me in de juiste richting hebt doen kijken en dat ik niet in het wilde weg alle componenten diende te vervangen.
Stefan
Het probleem is ondertussen opgelost.
Wat is er gebeurd :
D2 en D3 werd vervangen.
R43 zag er ook niet goed uit en zat niet meer goed vast gesoldeerd.
De 2 condensatoren werden ook vervangen. (1 van de 2 was stuk).
Nu is het DMD-scherm weer helder en scherp.
Fantastisch dat je me in de juiste richting hebt doen kijken en dat ik niet in het wilde weg alle componenten diende te vervangen.
Stefan
- inkochnito
- Berichten: 862
- Lid geworden op: 16 aug 2011, 20:39
- Real name: Peter Koch
- Locatie: The Netherlands
Re: DMD-voeding WPC 95 probleem
Meten is weten.
Daarmee kan je dingen uitsluiten en betere conclusie trekken.
Graag gedaan.
Daarmee kan je dingen uitsluiten en betere conclusie trekken.
Graag gedaan.