Smart Set - Telfout
Smart Set - Telfout
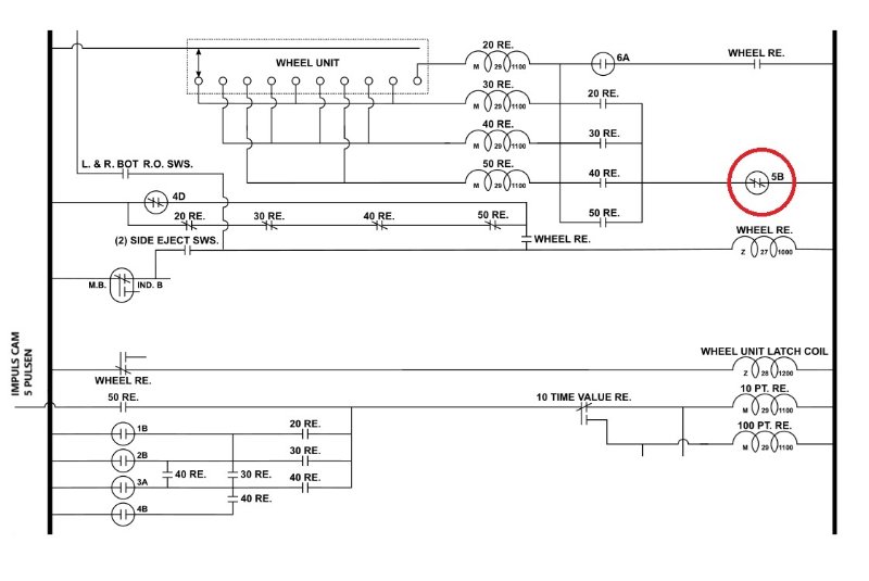
Hallo, bij een Smart Set kunt u de Wheel value punten scoren door in één van de side eject holes te spelen of door één van de bottom roll over switches te raken. Nu heb ik gemerkt dat er af en toe eerst 20 punten (en misschien ook wel eens 10 of 30??) worden bijgeteld en daarna de Wheel Value punten (20,30,40 of 50 punten). Het is moeilijk deze oorzaak van deze fout op te sporen omdat ik de fout niet kan reproduceren. Voor zover ik weet draait de scoremotor een extra 3de cyclus en wordt de bal als hij in een eject hole ligt pas daarna uitgeworpen. Voor zover ik kan zien zijn er twee cycli nodig om de punten toe te kennen bij de eerste worden de punten relais ingesteld en bij de tweede cyclus worden de punten bijgeteld en wordt de bal uitgeworpen. Iemand enig idee waar die extra punten vandaan komen ? En waarom wordt de bal niet uitgeworpen na die eerste punten ? Eerst dacht ik dat het te maken had met het stand up target dat naast de eject holes staat (20 punten) maar ook bij de roll over switches doet de fout zich voor.
Re: Smart Set - Telfout

Eindelijk heb ik de fout gevonden. De schakelaar 5B gaf soms slecht contact zodat de puntenrelais tijdens de tweede cyclus vroegtijdig uit ging waardoor de toekenning van de punten (1B, 2B....) niet volledig was. Zo werd ook op het einde van de tweede cyclus de puntenrelais terug aangezet (6A) gevolgd door een derde cyclus die de punten toevoegt. Na het reinigen en bijstellen van de schakelaar heb ik geen fouten meer gehad.
- Richard Baan
- Berichten: 4071
- Lid geworden op: 16 aug 2011, 09:20
- Real name: Richard Baan
- Locatie: The Netherlands
- Contacteer:
Re: Smart Set - Telfout
Gefeliciteerd! 
Don't take life so seriously... It's not permanent.
http://pinball.beautyvof.com/
Alles over de technische kant van de flipperkast willen weten?
Download De techniek staat voor niets
http://pinball.beautyvof.com/
Alles over de technische kant van de flipperkast willen weten?
Download De techniek staat voor niets