WPC-s DCS Geluidskaart probleem

Vragen en antwoorden over de technische kant van flippers
Plaats reactie
Gebruikersavatar
Pinhead
Berichten: 367
Lid geworden op: 25 sep 2011, 08:16
Real name: David VB
Locatie: Belgium

WPC-s DCS Geluidskaart probleem

Bericht door Pinhead » 21 jul 2017, 10:19

Hi,

Ik heb een probleem met een geluidskaart voor een WPC-S kast die niet meer werkt
In het test report krijg ik een "Sound Board Interface Error" boodschap.
De audio verstekers zijn ok, en alle spanningen op de kaart zijn ook goed (+5V, -5V, +15V, -15V)

Alle andere functies van de kast die op dit bus staan (Fliptronics kaart en DMD) werken, en ik kan speelen, alleen maar zonder geluid.... :cry:

Ik heb dit kaart met een andere, werkende, kaart gewisseld, maar ik blijf met het zelfde probleem.
Dus, voor mij, is die geluidskaart ok, en het probleem zou ergens anders moeten zijn.

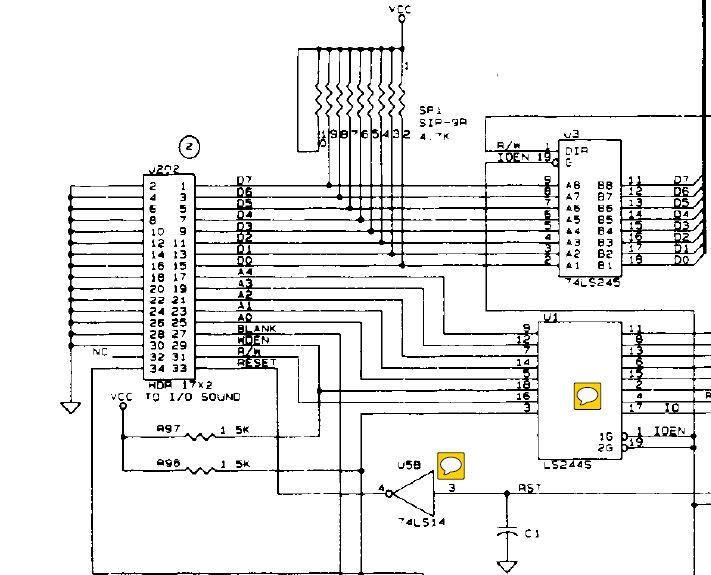
Op de CPU-kaart heb ik U1 en U5 vernieuwd (zie schema in bijlage) sinds sommige van die signaalen alleen maar vor de geluidskaart gebruikt zijn, maar zonder verbeetering.

Heeft iemand een ideëe ?

Alvast bedankt
Bijlagen
wpc-s.JPG

Gebruikersavatar
Richard Baan
Berichten: 4076
Lid geworden op: 16 aug 2011, 09:20
Real name: Richard Baan
Locatie: The Netherlands
Contacteer:

Re: WPC-s DCS Geluidskaart probleem

Bericht door Richard Baan » 21 jul 2017, 14:13

Weet je zeker dat de flatcable er goed op zit? Die kan mogelijk 1 rij pinnen verschoven zijn?

Asic aandrukken?

Indien goed:
Meten met een probetester?
Zo te zien gaat U3 ook naar de header. Misschien die defect?
Don't take life so seriously... It's not permanent.

http://pinball.beautyvof.com/

Alles over de technische kant van de flipperkast willen weten?
Download De techniek staat voor niets

Gebruikersavatar
Pinhead
Berichten: 367
Lid geworden op: 25 sep 2011, 08:16
Real name: David VB
Locatie: Belgium

Re: WPC-s DCS Geluidskaart probleem

Bericht door Pinhead » 21 jul 2017, 18:51

Dank U Richard,

De andere kaarten op de zelfde kabel werken wel (Fliptronics en DMD), en de kast speelt zoals normaal.
Zou U3 van CPU kaart niet werken zou er niks kunnen werken.
Ik heb de kabel pin per pin getest en alles is goed.

ASic is ook goed sinds met een andere kaart het ook niet werkt.

Andere ideëe ?

Farrari
Berichten: 374
Lid geworden op: 22 jun 2015, 07:28
Real name: Theke
Locatie: The Netherlands

Re: WPC-s DCS Geluidskaart probleem

Bericht door Farrari » 22 jul 2017, 07:42

Vermoed toch echt de flatcable, pak die flatcable van die andere kast eens!

Greetz

Gebruikersavatar
Richard Baan
Berichten: 4076
Lid geworden op: 16 aug 2011, 09:20
Real name: Richard Baan
Locatie: The Netherlands
Contacteer:

Re: WPC-s DCS Geluidskaart probleem

Bericht door Richard Baan » 22 jul 2017, 12:49

Misschien een idee om de Flatcable toch te vervangen.

Je hebt een werkende print getest zou dat al aan geven dat de kast het euvel heeft en niet de sound print.
Of andersom. De cpu verwisselen in een andere kast?

Mijn gevoel gaat nog steeds uit naar de Flatcable.
Don't take life so seriously... It's not permanent.

http://pinball.beautyvof.com/

Alles over de technische kant van de flipperkast willen weten?
Download De techniek staat voor niets

Gebruikersavatar
Pinhead
Berichten: 367
Lid geworden op: 25 sep 2011, 08:16
Real name: David VB
Locatie: Belgium

Re: WPC-s DCS Geluidskaart probleem

Bericht door Pinhead » 22 jul 2017, 14:34

Bedankt.

Ik zal idd dit moeten probeeren, maar ik heb op dit ogenblik geen flatcable thuis.
Ik hou jullie op de hoogte.

Mvg,

D.

Gebruikersavatar
Pinhead
Berichten: 367
Lid geworden op: 25 sep 2011, 08:16
Real name: David VB
Locatie: Belgium

Re: WPC-s DCS Geluidskaart probleem

Bericht door Pinhead » 29 jul 2017, 16:47

Voilà: met een andere kabel getest, en nog altijd "sound board interface error".
Alle andere functies werken.

Een andere ideëe ?

Gebruikersavatar
Richard Baan
Berichten: 4076
Lid geworden op: 16 aug 2011, 09:20
Real name: Richard Baan
Locatie: The Netherlands
Contacteer:

Re: WPC-s DCS Geluidskaart probleem

Bericht door Richard Baan » 29 jul 2017, 18:44

Als je 100% zeker weet dat het op de cpu moet zitten dan misschien de asic.
Als het mogelijk toch op de sound bord kan liggen vermoed ik de roms of de adressering daar van.
Dat lijkt me logischer alleen dat had je al uitgesloten.
Don't take life so seriously... It's not permanent.

http://pinball.beautyvof.com/

Alles over de technische kant van de flipperkast willen weten?
Download De techniek staat voor niets

Gebruikersavatar
Richard Baan
Berichten: 4076
Lid geworden op: 16 aug 2011, 09:20
Real name: Richard Baan
Locatie: The Netherlands
Contacteer:

Re: WPC-s DCS Geluidskaart probleem

Bericht door Richard Baan » 29 jul 2017, 18:47

Ps je had met een andere werkende geluidskaart getest. Maar had je daar de roms gewisseld?
Don't take life so seriously... It's not permanent.

http://pinball.beautyvof.com/

Alles over de technische kant van de flipperkast willen weten?
Download De techniek staat voor niets

Gebruikersavatar
Pinhead
Berichten: 367
Lid geworden op: 25 sep 2011, 08:16
Real name: David VB
Locatie: Belgium

Re: WPC-s DCS Geluidskaart probleem

Bericht door Pinhead » 29 jul 2017, 19:03

De andere geluidskaart had geen ROM's erin, maar ik heb toch geen fout boodschap gekrijgen (en ook niet de "bongs" die normaal zou moeten gebeuren in dit geval), behalve de interface error in de test report

Er iets echt iets vreemd, maar ik zie niet hoe het asic zou probleematiek zijn sinds, behalve het geluid, het spel werkt.

Gebruikersavatar
Richard Baan
Berichten: 4076
Lid geworden op: 16 aug 2011, 09:20
Real name: Richard Baan
Locatie: The Netherlands
Contacteer:

Re: WPC-s DCS Geluidskaart probleem

Bericht door Richard Baan » 30 jul 2017, 11:35

De asic zal de signalen Door geven naar het geluid sbord.
Misschien even testen met rommen er in?
Don't take life so seriously... It's not permanent.

http://pinball.beautyvof.com/

Alles over de technische kant van de flipperkast willen weten?
Download De techniek staat voor niets

Gebruikersavatar
Richard Baan
Berichten: 4076
Lid geworden op: 16 aug 2011, 09:20
Real name: Richard Baan
Locatie: The Netherlands
Contacteer:

Re: WPC-s DCS Geluidskaart probleem

Bericht door Richard Baan » 30 jul 2017, 13:35

Allereerst de vraag: weet je zeker dat het aan de CPU ligt?
In dit probleem is dat handig om echt 100% zeker te weten.
Misschien de CPU verwisselen met een andere kast. Tevens verschil met wel/geen rommen over zetten, en controleren met andere romset.


Dan het volgende raadsel:
Hoe weet de CPU dat er een sound bord interface error is?

Dit is slechts puur theoretisch gefilosofeer waar je hopelijk mogelijk wat aan hebt:
De signalen vanaf de CPU naar het soundbord zijn 5x addressering, 8x data, nog 2 signalen (CpuEn / CpuRW) en een reset.

Schema's van het soundbord
Op blad 20 van de PDF (= pag 18 onderaan de pagina) van de WPC-S manual zie ik een signaal wat de andere kant op kan: boven de header staat er "Host Port" bij. Data 7 komt uit op pin 1 van de header zo te zien.
Tevens is daar de IntCPU (afhankelijk van de jumper) die uitkomt op pin 34 van de header. Een interrupt van de andere PCB's naar de CPU?

In theorie kan het dan zo zijn dat het soundboard aan de CPU een status doorgeeft dat hij daaruit concludeert dat er een interface error is? Zowel de IntCPU als de HostPort komen vanaf U22B. En er is een "status" op U23C.

Misschien de Host Port afhankelijk van het signaal CpuRW die dan via U16 (op pag 18 vd PDF) een CpuRd signaal en Status geeft op U22B / U23C? Dat circuitje ziet er iig uit alsof het iets terugkoppelt aan de CPU.

Idee:
Kun je die diverse signalen eens meten en mogelijk vergelijken met een andere kast?
Don't take life so seriously... It's not permanent.

http://pinball.beautyvof.com/

Alles over de technische kant van de flipperkast willen weten?
Download De techniek staat voor niets

Gebruikersavatar
Pinhead
Berichten: 367
Lid geworden op: 25 sep 2011, 08:16
Real name: David VB
Locatie: Belgium

Re: WPC-s DCS Geluidskaart probleem

Bericht door Pinhead » 30 jul 2017, 15:25

Op het zelfde bus staan:
- de CPU kaart
- Fliptronics kaart
- Geluidkaart
- DMD kaart

Alle functies werken, behalve het geluid.
Dus, voor mij is er niks mis met het CPU kaart

De enige signaal die ALLEEN door het geluidskaart gebruikt is (en niet door de andere) is de Reset. En U5 van CPU kaart heb ik al gevrendaart (zie eerste post).

De data buffers van het geluidskaart (U18 en U19) zijn ook verandert, en zo is U23 die de Status signaal ontvangt.
Bovenal, met een andere geluidskaart werkt het ook niet.

Dus, ja: het zou de CPU kaart kunnen zijn, maar dan zou de Fliptronics en DMD kaarten ook niet werken, nee ?

Gebruikersavatar
Richard Baan
Berichten: 4076
Lid geworden op: 16 aug 2011, 09:20
Real name: Richard Baan
Locatie: The Netherlands
Contacteer:

Re: WPC-s DCS Geluidskaart probleem

Bericht door Richard Baan » 30 jul 2017, 16:08

Pinhead schreef: Ik heb dit kaart met een andere, werkende, kaart gewisseld, maar ik blijf met het zelfde probleem.
Dus, voor mij, is die geluidskaart ok, en het probleem zou ergens anders moeten zijn.
In je eerste post verdenk je juist iets anders dan de geluidskaart. Nu wel de geluidskaart.
Beide redeneringen lijken juist.

Ik zou eens beginnen een goede geluidskaart in deze kast te hangen (inclusief werkende romset, te testen in een andere kast). Ook met de CPU.
En vice versa: deze CPU en geluidskaart in een werkende kast te testen.

In beide gevallen een geluidskaart met romset. Want die verdenk ik eigenlijk ook wel.

Succes iig.
Don't take life so seriously... It's not permanent.

http://pinball.beautyvof.com/

Alles over de technische kant van de flipperkast willen weten?
Download De techniek staat voor niets

Gebruikersavatar
Arcadia Amusements
Berichten: 136
Lid geworden op: 24 aug 2011, 22:45
Real name: Peter Smets

Re: WPC-s DCS Geluidskaart probleem

Bericht door Arcadia Amusements » 02 aug 2017, 16:37

Ik krijg regelmatig geluidskaarten binnen met ditzelfde probleem en het heeft heel veel verschillende oorzaken:

Verlopen condensatoren
Defecte buffer ic's (signaal nameten met scoop)
kapotte maskroms, zeeeer zelden dat een eprom kapot gaat
printbaantje aangevreten of beschadigd

Plaats reactie