congo, switch matrix
- glenn pellis
- Berichten: 2385
- Lid geworden op: 14 aug 2011, 09:13
- Real name: glenn pellis
- Locatie: Belgium
- Contacteer:
congo, switch matrix
godverdevlammestenondemiljaar.............
nu de gorilla alles terug doet, en beter van tevoren (coils sleeve maar ineens ook vervangen nu ik de spoel nieuw leven heb ingeblazen), duikt een ander probleem op
na het herstellen van de gorilla, getest en werkte, dus ook de targets registreerd goed
nu speel ik een test spel en merkte ik met mijn 2e bal dat de AMY targets achteraan niet werkten, ok ik spele verder, haal gray atack, en jawel, de targets registreerden ook niet meer, alle 5
nu kijk ik in de manual of het in de zelfde rij staat, en jawel alle genoemde switchen bevinden zich in dezelfder ij
gaat over switch 71 tot en met 78
ik zie staan
J206-7
U20-12
de 8 switchen bekeken en niets dat loshangt, alle switchen registreren nog in test maar dan met de melding short ground row..
de 5 targets afgekoppeld, probleem op de amy switchen blijft
de amy switchen 1 voor 1 losgekoppeld en de targets getest, probleem blijft alsnog
ik denk dat het probleem zich op de CPU bevind?
iemand suggesties?
heb hier geen andere WPC 95 staan
nu de gorilla alles terug doet, en beter van tevoren (coils sleeve maar ineens ook vervangen nu ik de spoel nieuw leven heb ingeblazen), duikt een ander probleem op
na het herstellen van de gorilla, getest en werkte, dus ook de targets registreerd goed
nu speel ik een test spel en merkte ik met mijn 2e bal dat de AMY targets achteraan niet werkten, ok ik spele verder, haal gray atack, en jawel, de targets registreerden ook niet meer, alle 5
nu kijk ik in de manual of het in de zelfde rij staat, en jawel alle genoemde switchen bevinden zich in dezelfder ij
gaat over switch 71 tot en met 78
ik zie staan
J206-7
U20-12
de 8 switchen bekeken en niets dat loshangt, alle switchen registreren nog in test maar dan met de melding short ground row..
de 5 targets afgekoppeld, probleem op de amy switchen blijft
de amy switchen 1 voor 1 losgekoppeld en de targets getest, probleem blijft alsnog
ik denk dat het probleem zich op de CPU bevind?
iemand suggesties?
heb hier geen andere WPC 95 staan
Laatst gewijzigd door glenn pellis op 31 mar 2013, 16:20, 1 keer totaal gewijzigd.
Creature from The black lagoon ,taxi ,Whirlwind, The Shadow ,Road Show, dr who, F-14 tomcat, jurassic park---www.depikkedieve.be-----
- Richard Baan
- Berichten: 4071
- Lid geworden op: 16 aug 2011, 09:20
- Real name: Richard Baan
- Locatie: The Netherlands
- Contacteer:
Re: congo, switch matrix
Vlak na de problemen met de gorilla? Daar iets mis? Verkeeerd gesoldeerd ofzo, of een target in de verdrukking?
Don't take life so seriously... It's not permanent.
http://pinball.beautyvof.com/
Alles over de technische kant van de flipperkast willen weten?
Download De techniek staat voor niets
http://pinball.beautyvof.com/
Alles over de technische kant van de flipperkast willen weten?
Download De techniek staat voor niets
-
aamjanssen
- Berichten: 456
- Lid geworden op: 09 jul 2012, 12:14
- Real name: Anthony
Re: congo, switch matrix
Ik zou de pen header op het cpu bord even na slodderen. Als er een hele rij weg valt wil het hier nog wel eens zitten. Ik heb dit namelijk ook gehad bij een flintstones
- glenn pellis
- Berichten: 2385
- Lid geworden op: 14 aug 2011, 09:13
- Real name: glenn pellis
- Locatie: Belgium
- Contacteer:
Re: congo, switch matrix
nee, gorilla werkt perfect, heb allen de winding iets verlengt (draadje uit het gaatje gehaald en achteraan gesoldeerd op het contactpunt van de spoel, en daar de kabel op gesoldeerd) dus aangesloten zoals het wasRichard Baan schreef:Vlak na de problemen met de gorilla? Daar iets mis? Verkeeerd gesoldeerd ofzo, of een target in de verdrukking?
targets ben ik niet aangeweest, die werkten gewoon goed na de herstelling van die spoel
kan het niet een LM339 zijn die stuk is gegaan ofzo?
Creature from The black lagoon ,taxi ,Whirlwind, The Shadow ,Road Show, dr who, F-14 tomcat, jurassic park---www.depikkedieve.be-----
-
aamjanssen
- Berichten: 456
- Lid geworden op: 09 jul 2012, 12:14
- Real name: Anthony
Re: congo, switch matrix
Pak anders eens een multimeter en meer je de kabels een door volfens ds switch matrix. Als deze allemaal aan komen zit et ergens in de cpu bord.
Mocht je in de buurt wonen, ik heb hier een wpc95 cpu waarmee je kan testen.
Mocht je in de buurt wonen, ik heb hier een wpc95 cpu waarmee je kan testen.
- glenn pellis
- Berichten: 2385
- Lid geworden op: 14 aug 2011, 09:13
- Real name: glenn pellis
- Locatie: Belgium
- Contacteer:
Re: congo, switch matrix
als jij mij een beetje kan helpen hoe te meten kan ik dat eens doen.. ik wete van die testpunten af maar geen idee hoe te metenaamjanssen schreef:Pak anders eens een multimeter en meer je de kabels een door volfens ds switch matrix. Als deze allemaal aan komen zit et ergens in de cpu bord.
Mocht je in de buurt wonen, ik heb hier een wpc95 cpu waarmee je kan testen.
ik trek iet of wat mijn plan, maar als t te moeilijk word reng ik hem weg naar ne prof
Creature from The black lagoon ,taxi ,Whirlwind, The Shadow ,Road Show, dr who, F-14 tomcat, jurassic park---www.depikkedieve.be-----
- glenn pellis
- Berichten: 2385
- Lid geworden op: 14 aug 2011, 09:13
- Real name: glenn pellis
- Locatie: Belgium
- Contacteer:
Re: congo, switch matrix
ok, ik heb de kabel doorgemeten van J206 pin 7
van de eerste amy switch tot de laatste target van de rij
alles komt aan
kan ik hieruit besluiten dat het probleem zich afspeelt in het cpu bord?
thx aan Aamjanssen voor de uitleg hoe te meten, we leren weeral bij (en eigenlijk is het simpel
)
van de eerste amy switch tot de laatste target van de rij
alles komt aan
kan ik hieruit besluiten dat het probleem zich afspeelt in het cpu bord?
thx aan Aamjanssen voor de uitleg hoe te meten, we leren weeral bij (en eigenlijk is het simpel
Creature from The black lagoon ,taxi ,Whirlwind, The Shadow ,Road Show, dr who, F-14 tomcat, jurassic park---www.depikkedieve.be-----
- David Pinball Wizz
- Berichten: 4424
- Lid geworden op: 15 aug 2011, 07:44
- Real name: David Deturck
- Locatie: Belgium
Re: congo, switch matrix
Ik zou es een de cpuproberen te switchen (steek de slechte in een goede flipper en niet vice versa). Als het probleem mee verhuist dan weet je dat je daar een chip hebt die erdoor ligt.
Hoe dat komt en waarom het eerst wel werkte en bij een testspel dan niet meer is wel vreemder. Ik zou zeggen ga nog es over je werk.
Soms heb je tijdens werken als de flipper afligt, toch kans om de switchmatrix te beschadigen. Contact maken van een spoel naar switch, en nog restspanning in de condensatoren kan dat toch een kortsluiting veroorzaken (jammergenoeg al zelf meegemaakt)
Hoe dat komt en waarom het eerst wel werkte en bij een testspel dan niet meer is wel vreemder. Ik zou zeggen ga nog es over je werk.
Soms heb je tijdens werken als de flipper afligt, toch kans om de switchmatrix te beschadigen. Contact maken van een spoel naar switch, en nog restspanning in de condensatoren kan dat toch een kortsluiting veroorzaken (jammergenoeg al zelf meegemaakt)
IFPA Country Director Belgium
- glenn pellis
- Berichten: 2385
- Lid geworden op: 14 aug 2011, 09:13
- Real name: glenn pellis
- Locatie: Belgium
- Contacteer:
Re: congo, switch matrix
ja maar na dat alles gedaan was, in test modus, werkte het nog wel, tijdens het testspel merkte ik op dat het dus niet meer werkteDavid Pinball Wizz schreef:Ik zou es een de cpuproberen te switchen (steek de slechte in een goede flipper en niet vice versa). Als het probleem mee verhuist dan weet je dat je daar een chip hebt die erdoor ligt.
Hoe dat komt en waarom het eerst wel werkte en bij een testspel dan niet meer is wel vreemder. Ik zou zeggen ga nog es over je werk.
Soms heb je tijdens werken als de flipper afligt, toch kans om de switchmatrix te beschadigen. Contact maken van een spoel naar switch, en nog restspanning in de condensatoren kan dat toch een kortsluiting veroorzaken (jammergenoeg al zelf meegemaakt)
nuja tzal aan de cpu liggen, die binnendoen bij Evert, en dan zal t wel opgelost zijn
hoort jammer genoeg bij de hobby hé
Creature from The black lagoon ,taxi ,Whirlwind, The Shadow ,Road Show, dr who, F-14 tomcat, jurassic park---www.depikkedieve.be-----
- Richard Baan
- Berichten: 4071
- Lid geworden op: 16 aug 2011, 09:20
- Real name: Richard Baan
- Locatie: The Netherlands
- Contacteer:
Re: congo, switch matrix
Om te weten of het aan de cpu ligt of het speelveld: stekkers van de switchmatrix los koppelen, en met een draad een kolom-rij verbinding maken op de connectorpinnen op de cpu.
Als de cpu werkt zul je dat op de switch-test zien.
Als de cpu werkt zul je dat op de switch-test zien.
Don't take life so seriously... It's not permanent.
http://pinball.beautyvof.com/
Alles over de technische kant van de flipperkast willen weten?
Download De techniek staat voor niets
http://pinball.beautyvof.com/
Alles over de technische kant van de flipperkast willen weten?
Download De techniek staat voor niets
- johnware
- Berichten: 120
- Lid geworden op: 12 apr 2013, 18:41
- Real name: John van Gerwen
- Locatie: The Netherlands
- Contacteer:
Re: congo, switch matrix
Helaas heb ik hetzelfde probleem met mijn Demolition Man.
Alle switches die in kolom 4 (J207-4) staan werken niet meer.

Er zit een automatische test in de Williams flipperkast maar dan doen de switchen het ook niet.
Op zich geen verstand van flipperkasten en electronic maar redelijk handig en altijd in om weer iets bij te leren.
Nu staat hier boven een mooie opmerking om "met een draad een kolom-rij verbinding maken op de connectorpinnen op de cpu." maar is er misschien iemand die de moeite zou kunnen nemen om dit duidelijke voor een leek uit te leggen, dus een soort How-To ?
Misschien kom ik dan weer een stap verder richting de oplossing.
Wat ik tot heden heb gedaan:
- De coils reageren wel als je het spel zonder ballen laat staan want dan gaat hij alle coils een seintje geven en werken de coils van de slingshots dus daar ligt het niet aan. Conclusie moet dan zijn dat het aan de switchen ligt.
- Vervolgens de groene draad gevolgd en doorgemeten op een kabel breuk. Geen breuk te vinden alles wordt gewoon doorgegeven.
Uiteindelijk kom ik dan uit bij het CPU-board in de kopkast. En dan heb je een probleem want daar zit voor mij geen logica meer achter.
Dus mede forum leden HELP.......
Alvast bedankt.
John.
Alle switches die in kolom 4 (J207-4) staan werken niet meer.
Er zit een automatische test in de Williams flipperkast maar dan doen de switchen het ook niet.
Op zich geen verstand van flipperkasten en electronic maar redelijk handig en altijd in om weer iets bij te leren.
Nu staat hier boven een mooie opmerking om "met een draad een kolom-rij verbinding maken op de connectorpinnen op de cpu." maar is er misschien iemand die de moeite zou kunnen nemen om dit duidelijke voor een leek uit te leggen, dus een soort How-To ?
Misschien kom ik dan weer een stap verder richting de oplossing.
Wat ik tot heden heb gedaan:
- De coils reageren wel als je het spel zonder ballen laat staan want dan gaat hij alle coils een seintje geven en werken de coils van de slingshots dus daar ligt het niet aan. Conclusie moet dan zijn dat het aan de switchen ligt.
- Vervolgens de groene draad gevolgd en doorgemeten op een kabel breuk. Geen breuk te vinden alles wordt gewoon doorgegeven.
Uiteindelijk kom ik dan uit bij het CPU-board in de kopkast. En dan heb je een probleem want daar zit voor mij geen logica meer achter.
Dus mede forum leden HELP.......
Alvast bedankt.
John.
Gehad:
- - Truck Stop
- Haunted House
- CFTBL
- Demolition Man-Williams, 1994
- - Tales From The Crypt-Data East,1993
-
aamjanssen
- Berichten: 456
- Lid geworden op: 09 jul 2012, 12:14
- Real name: Anthony
Re: congo, switch matrix
Kijk eens in deze manual
http://www.google.nl/url?sa=t&rct=j&q=& ... 5796,d.d2k
Hier staat het een en ander goed uitgelegd.
http://www.google.nl/url?sa=t&rct=j&q=& ... 5796,d.d2k
Hier staat het een en ander goed uitgelegd.
Laatst gewijzigd door aamjanssen op 28 apr 2013, 18:53, 1 keer totaal gewijzigd.
- Richard Baan
- Berichten: 4071
- Lid geworden op: 16 aug 2011, 09:20
- Real name: Richard Baan
- Locatie: The Netherlands
- Contacteer:
Re: congo, switch matrix
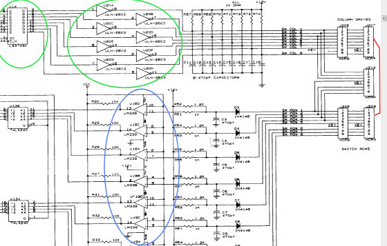
Zie schema van de CPU in het WPC manual. Wat je kan doen is de connectors rechts er af halen, en de draad van kolom naar rij maken (op de connectorpinnetjes). Dit moet je dan zien als 1 gemaakt contact in de switch-test. (rode lijn rechts).
Als ik je verhaal zo lees kan het zijn dat er ergens een draad is losgeschoten (van een switch, of uit de connector op de cpu), of misschien U20 op het cpu bord.
Hoe het werkt is: de kast stuurt kolommen aan door de 2 IC's met de groene cirkel (U14 - LS374 en U20 - ULN2803; vooral U20 wil nog wel eens stuk gaan). Dat zijn de kolommen in de matrix.
Dat signaal komt aan bij de IC's met de blauwe cirkel weer binnen (U18/U19 - LM339). Dat zijn de rijen.
Dit soort kasten heeft ook wel eens zuurschade bij die IC's, die zitten namelijk vlak onder de batterijen. Controleer ook dus of de solderingen er mooi uit zien.
Als ik je verhaal zo lees kan het zijn dat er ergens een draad is losgeschoten (van een switch, of uit de connector op de cpu), of misschien U20 op het cpu bord.
Hoe het werkt is: de kast stuurt kolommen aan door de 2 IC's met de groene cirkel (U14 - LS374 en U20 - ULN2803; vooral U20 wil nog wel eens stuk gaan). Dat zijn de kolommen in de matrix.
Dat signaal komt aan bij de IC's met de blauwe cirkel weer binnen (U18/U19 - LM339). Dat zijn de rijen.
Dit soort kasten heeft ook wel eens zuurschade bij die IC's, die zitten namelijk vlak onder de batterijen. Controleer ook dus of de solderingen er mooi uit zien.
- Bijlagen
-
- wpc switchmatrix.jpg (66.37 KiB) 2615 keer bekeken
Don't take life so seriously... It's not permanent.
http://pinball.beautyvof.com/
Alles over de technische kant van de flipperkast willen weten?
Download De techniek staat voor niets
http://pinball.beautyvof.com/
Alles over de technische kant van de flipperkast willen weten?
Download De techniek staat voor niets
- johnware
- Berichten: 120
- Lid geworden op: 12 apr 2013, 18:41
- Real name: John van Gerwen
- Locatie: The Netherlands
- Contacteer:
Re: congo, switch matrix
Hoi Allemaal,
Bedankt voor de snelle reacties.
Zuurschade komt niet voor op de print, soldering ziet er nog heel mooi uit, heb de batterijen meteen losgemaakt van de print om er even onder te kijken maar het beetje zuurschade zal alleen in de batterij houder zelf en niet op het board.
Huidige staat van IC's en aansluitingen onder de batterijhouder:

@Richard:
Nu wordt het misschien al weer wat moeilijker om te begrijpen.
Maar bedoel jij nu eigenlijk dat ik een lus met een draad moet maken van bijvoorbeeld J207-4 naar J209-1 zodat ik zeker weet dat de het niet aan de draden richting de switch ligt ?
Dit moet ik vervolgens uitvoeren als switch test en zien dat hij dan reageert op de genoemde switchen die nu niet reageert op het speelveld ?
Ik hoop dat ik het zo snap dan kan ik het morgen even uitproberen.
@aamjanssen:
De link die je omschrijft werkt niet. Ik kom uiteindelijk wel op een website uit maar kan denk niet vinden wat jij bedoeld.
Groeten,
John.
Bedankt voor de snelle reacties.
Zuurschade komt niet voor op de print, soldering ziet er nog heel mooi uit, heb de batterijen meteen losgemaakt van de print om er even onder te kijken maar het beetje zuurschade zal alleen in de batterij houder zelf en niet op het board.
Huidige staat van IC's en aansluitingen onder de batterijhouder:
@Richard:
Nu wordt het misschien al weer wat moeilijker om te begrijpen.
Maar bedoel jij nu eigenlijk dat ik een lus met een draad moet maken van bijvoorbeeld J207-4 naar J209-1 zodat ik zeker weet dat de het niet aan de draden richting de switch ligt ?
Dit moet ik vervolgens uitvoeren als switch test en zien dat hij dan reageert op de genoemde switchen die nu niet reageert op het speelveld ?
Ik hoop dat ik het zo snap dan kan ik het morgen even uitproberen.
@aamjanssen:
De link die je omschrijft werkt niet. Ik kom uiteindelijk wel op een website uit maar kan denk niet vinden wat jij bedoeld.
Groeten,
John.
Gehad:
- - Truck Stop
- Haunted House
- CFTBL
- Demolition Man-Williams, 1994
- - Tales From The Crypt-Data East,1993
- Richard Baan
- Berichten: 4071
- Lid geworden op: 16 aug 2011, 09:20
- Real name: Richard Baan
- Locatie: The Netherlands
- Contacteer:
Re: congo, switch matrix
Dat van die draad bedoel ik inderdaad. Zet de kast in de switchtest, en een draad van J207 naar J209 geeft een switch. Elke pin van de ene naar elke pin van de andere geeft elke keer een andere switch. Als hij dat goed doet (zonder de switchmatrix er aan) is de print goed. Doet hij het dan ook fout is de print defect. Je sluit op die manier de bedrading uit. Je weet dan waar je moet zoeken (speelveld of CPU).
De link die Anthony bedoelt staat op mijn site:
http://pinball.beautyvof.com/ -> Links -> De techniek staat voor niets
Het is een bundel van technische artikelen die ik in het verleden voor de Spinner (clubblad NFV) heb geschreven.
De link die Anthony bedoelt staat op mijn site:
http://pinball.beautyvof.com/ -> Links -> De techniek staat voor niets
Het is een bundel van technische artikelen die ik in het verleden voor de Spinner (clubblad NFV) heb geschreven.
Don't take life so seriously... It's not permanent.
http://pinball.beautyvof.com/
Alles over de technische kant van de flipperkast willen weten?
Download De techniek staat voor niets
http://pinball.beautyvof.com/
Alles over de technische kant van de flipperkast willen weten?
Download De techniek staat voor niets
Re: congo, switch matrix
Bedankt, Richard, voor de link en je uitleg. Nog niet helemaal doorgelezen, maar al veel bijgeleerd
@ Management: misschien een idee om bovenaan het onderdeel 'Technischeproblemen, storingen en herstellingen' een soort "RTFM" te maken zodat beginners zoals ik niet telkens de pro's
van hun spel moeten halen voor algemeenheden...
Love this forum!!!
@ Management: misschien een idee om bovenaan het onderdeel 'Technischeproblemen, storingen en herstellingen' een soort "RTFM" te maken zodat beginners zoals ik niet telkens de pro's
Love this forum!!!
Gezocht: Stern eind jaren '70 - begin '80. Alle hulp welkom!
- johnware
- Berichten: 120
- Lid geworden op: 12 apr 2013, 18:41
- Real name: John van Gerwen
- Locatie: The Netherlands
- Contacteer:
Re: congo, switch matrix
Beste Mede forum leden,
Dankzij de geweldige uitleg in deze link heb ik de stoute schoenen aangetrokken en zelf mijn U14 en U20 IC's vervangen op het CPU-board. Daar zat mijn probleem dus in !
Kijken of dat ik er nog een HOW-TO van kan maken zodat andere dat ook zelf kunnen proberen.
Richard bedankt voor je heldere uitleg
Groeten,
John.
Dankzij de geweldige uitleg in deze link heb ik de stoute schoenen aangetrokken en zelf mijn U14 en U20 IC's vervangen op het CPU-board. Daar zat mijn probleem dus in !
Kijken of dat ik er nog een HOW-TO van kan maken zodat andere dat ook zelf kunnen proberen.
Richard bedankt voor je heldere uitleg
Groeten,
John.
Gehad:
- - Truck Stop
- Haunted House
- CFTBL
- Demolition Man-Williams, 1994
- - Tales From The Crypt-Data East,1993
- Richard Baan
- Berichten: 4071
- Lid geworden op: 16 aug 2011, 09:20
- Real name: Richard Baan
- Locatie: The Netherlands
- Contacteer:
Re: congo, switch matrix
Don't take life so seriously... It's not permanent.
http://pinball.beautyvof.com/
Alles over de technische kant van de flipperkast willen weten?
Download De techniek staat voor niets
http://pinball.beautyvof.com/
Alles over de technische kant van de flipperkast willen weten?
Download De techniek staat voor niets
-
aamjanssen
- Berichten: 456
- Lid geworden op: 09 jul 2012, 12:14
- Real name: Anthony
Re: congo, switch matrix
Toppie, goed bezig.
Soms moet je er inderdaad maar gewoon aan beginnen, daar leer je het meeste van.
Soms moet je er inderdaad maar gewoon aan beginnen, daar leer je het meeste van.
- glenn pellis
- Berichten: 2385
- Lid geworden op: 14 aug 2011, 09:13
- Real name: glenn pellis
- Locatie: Belgium
- Contacteer:
Re: congo, switch matrix
congo is back alive, was idd op het cpu bord
can be closed
can be closed
Creature from The black lagoon ,taxi ,Whirlwind, The Shadow ,Road Show, dr who, F-14 tomcat, jurassic park---www.depikkedieve.be-----